JRP并列式氣液增壓缸
- 作動方式:雙動
作動條件:4~7kg/cm2壓縮空氣
液壓抗磨油:VG68#抗磨液壓油
工作溫度:0~60℃
操作速度:50~400mm/s
油缸耐壓:300kg/cm2
氣缸耐壓:12kg/cm2
預壓行程公差:+1.00mm 0.00mm
力行程公差:+0.20mm 0.00mm
工作頻率:25~45次/min(與行程長短成反比)
高壓出力:1~40噸
玖容廠家直銷,2年免費保修,非標定制!
JRP并列式氣液增壓缸并列式結構,氣缸和油缸垂直組合成一體并與外置的油筒成并列式。此增壓缸縱向長度短,是為安裝空間受縱向長度限制的工作環境設計的一款產品,非常適用于預壓行程長的場合。
【并列式氣液增壓缸操作條件】:
咨詢熱線:400-833-2669
【并列式氣液增壓缸產品特點】:
●并列式結構,緊湊型,為安裝空間受縱向長度限制的場合設計。
●出力速度平穩,工作狀態穩定。
●適用于預壓行程長的場合。
●對產品成型,鉚接鍛壓,裝配等工作場合相當適合。
●安裝方式:正裝。
●此緊湊型并列式氣液增壓缸可非標定制,玖容氣液增壓缸廠家直銷價格從優。
【并列式氣液增壓缸訂購代碼】:
【并列式氣液增壓缸提升力及理論出力對照表】:
【并列式氣液增壓缸1~40噸安裝尺寸表】:
【并列式氣液增壓缸設計圖】:
注:此緊湊型并列式氣液增壓缸設計圖僅僅是舉例,因為不同規格產品外形尺寸有所差異,具體設計圖會在下單時由我司技術給出。玖容氣動液壓設備廠家,到目前為止,已為3000多家企業進行了針對性的產品定制服務,服務過上萬家客戶,歡迎廣大新老客戶選型報價:400-833-2669。
【氣液增壓缸產品應用】:
氣液增壓缸可用于沖孔,裁斷,裝配,型材碰焊,鉚壓鉚合,鉚接鍛壓,折彎型材,擠壓成型,壓平校直,壓印標記,塑料熔接,修毛邊等;在電聲設備,燙金機械,高周波機械,熱壓成型機械,低壓注膠設備,鋰電池設備,工程設備,電子產品,吹瓶機械,紙杯設備,印刷機械,塑料機械,橡膠機械,壓力機械,冶金機械,軸承機械,塑膠機械,服裝機械,鉚接機械,鞋機機械,制袋機械,制藥機械,非標自動化設備等等行業中得到廣泛應用。
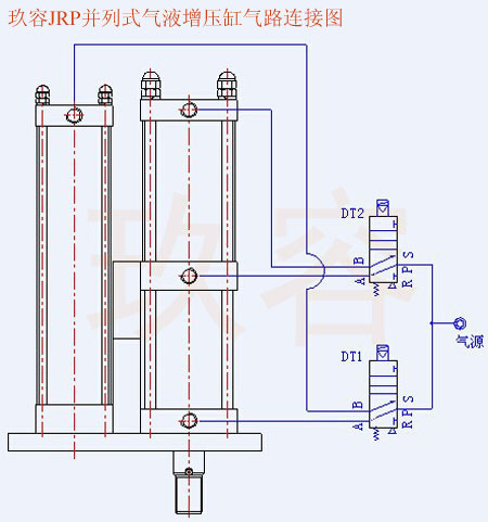
【并列式氣液增壓缸氣路連接圖】:
此緊湊型并列式氣液增壓缸動作順序如下:
1、當電磁閥DT1通電,氣壓作用在儲油筒液壓油表面,氣缸段總行程開始向下作位移;
2、活塞桿位移遇到阻力,DT1保持,此時DT2通電,增壓段總成開始作位移;
3、根據加工工件保壓需要,DT2斷電,此時增壓段總成復位,增壓缸卸壓;
4、DT1斷電,氣缸段總成復位,液壓油回位到儲油筒,此時一個動作循環完成。
- *聯系人:
- *手機:
- 公司名稱:
- 郵箱:
- *采購意向:
-
*驗證碼:




